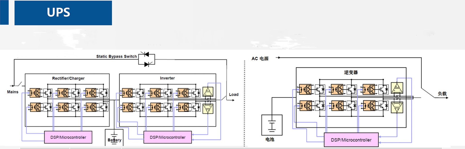
本方案主要针对UPS(不间断电源装置)进行设计,采用了IGBT(绝缘栅双极晶体管)、FRD(快恢复二极管)、碳化硅二极管和电流传感器等核心部件,实现对电源的稳定供应和高效管理,并实现了对电源系统的智能监控。
方案内容
IGBT模块的应用:
IGBT是一种高效的电源开关装置,其作用是将输入的交流电转换为直流电,然后再将直流电转换为所需的交流电。由于IGBT具有低导通电压、高开关频率和优秀的电流驱动能力等特性,使得UPS电源能够实现小型化和高功率输出。
FRD和碳化硅二极管:
FRD和碳化硅二极管用于提高系统的效率和可靠性。FRD可以在瞬间恢复其正向导电能力,有效防止电压反冲,提高系统的稳定性;碳化硅二极管则具有高电压、高温、高频和高功率等优秀性能,能够显著提高系统的整体性能。
电流传感器的应用:
电流传感器用于实时监测UPS电源的电流变化情况,当电流超过设定阈值时,电流传感器会输出警报信号,保护电源系统不受过大电流的破坏。
智能监控系统
通过将以上部件和智能监控系统相结合,我们可以实时监测UPS电源的工作状态,包括电源的输入/输出电压、电流、功率等参数,同时也可以对电源进行远程控制和管理。当系统出现异常时,智能监控系统可以及时发出警报,并自动切换到备用电源,保证系统的稳定运行。
通过采用高效的IGBT、FRD、碳化硅二极管和电流传感器等部件,以及智能监控系统,我们的UPS电源方案不仅可以实现稳定、高效的电源供应,还可以实现对电源系统的智能化管理和控制,大大提高了电源系统的安全性和可靠性。

工业电机驱动应用方案
光伏逆变器行业应用方案
UPS(不间断电源装置)应用方案